YZD振動電機是公司設計生產,主要用于各種振動設備上,我們可以提供YZD振動電機的價格及YZD振動電機的技術參數,歡迎來電洽談!

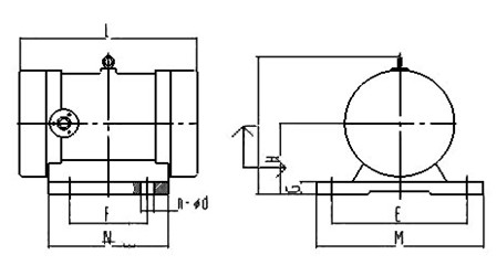
型 號 | 激振力(KN) | 功 率 (kw) | 電流 (A) | 振頻 (r/min) | 安 裝 尺 寸 | 重 量 (Kg) | |||||||||
E | F | G | H | I | L | M | N | n | φd | ||||||
YZD-1.5-2 | 1.5 | 0.12 | 0.36 | 3000 | 130 | 80 | 19 | 80 | 200 | 240 | 164 | 118 | 4 | 12 | 13 |
YZD-2.5-2 | 2.5 | 0.22 | 0.66 | 130 | 80 | 19 | 80 | 200 | 240 | 164 | 118 | 4 | 12 | 14 | |
YZD-3-2 | 3 | 0.25 | 0.75 | 150 | 90 | 21 | 90 | 220 | 250 | 185 | 124 | 4 | 14 | 20 | |
YZD-5-2 | 5 | 0.37 | 1.11 | 150 | 90 | 21 | 90 | 220 | 270 | 185 | 124 | 4 | 14 | 21 | |
YZD-10-2 | 10 | 0.75 | 2.25 | 180 | 110 | 27 | 112 | 238 | 335 | 225 | 155 | 4 | 18 | 31 | |
YZD-15-2 | 15 | 1.1 | 3.3 | 220 | 140 | 32 | 125 | 265 | 370 | 272 | 190 | 4 | 22 | 47 | |
YZD-20-2 | 20 | 1.5 | 4.5 | 260 | 150 | 40 | 140 | 320 | 452 | 344 | 234 | 4 | 26 | 68 | |
YZD-30-2 | 30 | 2.2 | 6.6 | 310 | 170 | 57 | 170 | 365 | 505 | 400 | 270 | 4 | 33 | 107 | |
YZD-50-2 | 50 | 3.7 | 11.1 | 350 | 220 | 52 | 200 | 425 | 600 | 450 | 313 | 4 | 39 | 210 | |
YZD-1.0-4 | 1 | 0.09 | 0.27 | 1500 | 130 | ||||||||||